您当前位置: 首页>供应信息>传感器 > 位移传感器

ZMHBQA型轴承座式传感器

普通会员
  • 产品/服务:
    供货总量: 最小起订量:
    有效期至:长期有效 最后更新:2019-02-15
    发货期限:自买家付款之日起 3 天内发货 
产品详情
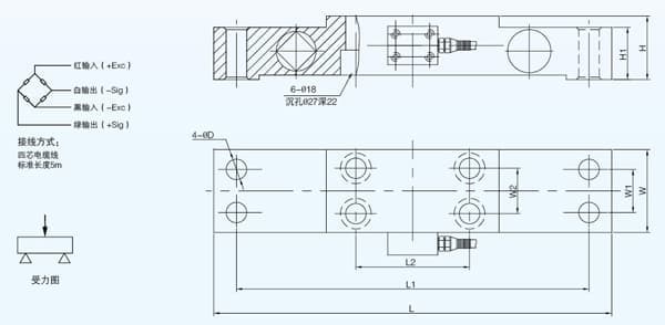
 特性:采用桥式结构,安装高度低,接触面积大,钢性好,适用寿命长,适用于各种恶劣环境。
使用领域:各类起重设备,安装限载保护装置等。

企业其它产品

您可以通过以下类目找到本信息:

供应信息 > 传感器 > 位移传感器

还不是电子元器件产业网会员?立即免费注册还没找到您需要的产品?立即发布您的求购意向,让电子元器件产业网的供应商主动与您联系!发布求购意向

返回页面顶部
免责声明: 以上所展示的信息由企业自行提供,内容的真实性、准确性和合法性由发布企业负责。电子元器件产业网对此不承担任何保证责任。