微波迪电子有限公司主要生产:霍尔开关元件、霍尔接近开关、干簧管、磁控开关、接近开关、红外开关、水位控制器、液位开关等多种型式的控制电路开关。拥有自主品牌“微波迪”微波迪产品应用广泛,微波迪产品:国际**品质,全球大众价格!

CS1-J是微波迪电子生产的一款气缸专用磁簧开关.是一款常开型的磁控开关管.在没有磁场的情况下是断开的.有磁力靠近时,开关接通。有两线输出不带指示灯的、两线输出带指示灯的(录色指示灯)。也要做成NPN、PNP输出的。应用于气缸活塞行程位置的检测。CS1-J均采用高品质磁控管生产一致性相当好。完全代替进口的产品。产品保用100万次(行业标准)CS1-J是目前气缸沟槽应用*多的一款磁开关产品。嵌入沟槽中,调节CS1-J本身自带的螺丝便可完全固定,安装非常的方便。关于线长可以定做。CS1-J也可以应用于其它场所,如空调、打印机、门磁开关、水位控制等产品上。

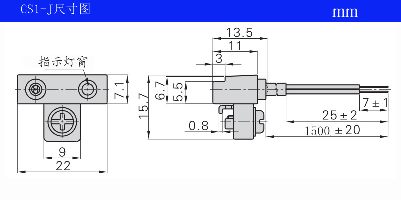
CS1-J尺寸:22x15.7x13mm.线长可选1.5米、2.0米等多种长度。




