
![LZV8MZCO$}~C(W]}DB_{{0U](http://i04.c.aliimg.com/img/ibank/2014/119/577/1155775911_589357738.jpg)
热释电红外传感器,也叫PIR\IRD,Passive Infrared(被动红外技术)的简称。热释电红外线传感器是利用温度变化的特征来探测红外线的辐射,采用双灵敏元互补的方法抑制温度变化产生的干扰,提高了传感器的工作稳定性。
型号:PCD2A21-A,品牌:美国传晟。PCD2A21-A是传晟品牌新推出的一款热销产品,该型号应用了*新的德系技术,针对弱信号处理技术进行全面提升,比较市场上的其他品牌,我们把灵敏度和一致性严格标准化,性价比实惠化,PCD2A21-A是一款应用于中高端产品的不错选择。

Specified Design
1. 高可靠性的传感器结构设计
2. 广泛的兼容性,可与大部分同类传感器直接代换
3. 宽范围工作电压
●典型应用:
Key Application
1. 被动式人体红外感应灯控开关
2. 侵入报警器
3. 人体感应玩具
●规格参数:
Specification

●典型响应和频率
Typical Responsivity Vs. Frequency(频率响应在 0.3 to 7.0Hz 显著)

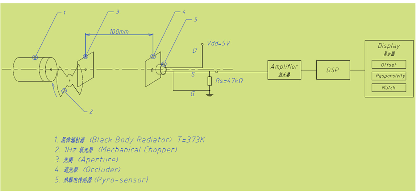
●测试装置原理示意图
Schematic of Test Set Up


●尺寸和等效电路
Dimensions and Equivalent Circuit



品牌优势:美国Transen(传晟)品牌,拥有雄厚的资金和研发、生产团队。
技术优势:德系技术,全面使用德国*新的弱信号处理技术,让传感器对人体发出的红外弱信号感应更灵敏,稳定性更好。把有限的弱信号处理达到*大化,性价比实惠化,一致性标准化。

典型应用:LED人体红外感应灯具(小夜灯、T管、面板灯、球泡灯……),安防报警器,感应门,智能玩具等等。







●使用注意事项
Handling Tips
不当的使用方法可能会损伤或永久损坏传感器,以下操作方法将帮助你保护器件的高性能:
1. 为了让传感器具有高灵敏度,传感器中通常使用的感应材料对热比较敏感,敏感材料可能在高温下丧失性能。
使用波峰焊接时,我们建议的焊接温度是 285°C,在高温区停留时间应小于 5 秒。如果焊接过程中有预加热器,
则必须采取相应措施避免传感器受到烘烤。传感器除引线焊接处外,其它部分不宜经受 100°C 以上的高温。
2. 使用焊铁手工焊接时,焊铁温度应设定在 240-280°C,焊接时间应控制在 2-4 秒。
3. 无论使用何种焊接方式,焊点与传感器底座之间应留出 3-4mm 或以上的距离。
4. 传感器由气密性极好的外壳封焊而成,且内充干燥氮气。为了保证器件的气密性,我们不建议对引线进行弯折,
弯折可能会破坏玻璃-金属封接部位的气密性,造成器件漏气。如果确需弯折使用,请使用工具辅助,并保证弯
折过程中引线根部不受力。请保证弯折点与传感器底座之间有 3mm 以上的距离。任何时候不要轴向扭动引线。
5. 传感器的窗口滤光片镀有精密的增透膜以提高红外线的透过率,请避免用裸手直接接触传感器的窗口。操作过
程中也需要避免窗口与其它物体接触、摩擦,以防止滤光片划伤。如滤光片表面有赃污,可用绒布粘无水乙醇
适度擦拭。
6. 取放传感器需要作为防静电敏感设备对待并保护他们免受静电损坏,工作区域应静电防护。人员取放传感器需
要佩戴防静电防护。
7. 避免机械的冲击传感器,特别是引线部位, 并请避免传感器直接跌落到地面。

















