
SK6812内置IC灯珠产品介绍:
SK6812-内置驱动IC 5050RGB灯珠
是一款内置驱动IC灯珠的升级版,汲取了前几代内置灯珠的优势以及经验后 从新改样打造的一款升级版内置驱动IC灯珠。明显区别在于:之前灯珠内驱动IC为竖向固定,升级改版后为横向固定,采用大品牌明微IC可兼容WS2812B,改版后线路更简单 传输速度更快、压降更低、更恒流、性能更稳定。。。
内置IC灯珠:将传统的驱动IC集成封装到5050RGB灯珠内部,所有线路均以金线代替,不仅节省了空间 减少了焊盘之间的故障率,而且缩短了传输距离 使传输速度 更快 更稳定。。。
传统的全彩系列产品需要驱动IC 需要RGB灯珠 *主要的是需要大量电容电阻,然后用线路板将一个个电子元器件组合起来,中间经历无数条线路 过孔 沉铜 ,无数个焊盘。。。虽说到客户手上只是小小的一个成品,却是经历了无数道工序才完成的。中间不可避免的有时会存在一些“小瑕疵”也就是一个故障率的问题。内置IC灯珠的出现彻底解决了这一传统性的问题。飞跃式的拉近了驱动IC与RGB灯珠之间的距离,轻而易举的消除了广大老板 电子工程师们头痛而又不可避免会发生的问题。。。
SK6812内置IC灯珠产品概述:
SK6812是一个集控制电路与发光电路于一体的智能外控LED光源。其外 型与一个5050LED灯珠相同,每个元件即为一个像素点。像素点内部包含了智能数 字接口数据锁存信号整形放大驱动电路,电源稳压电路,内置恒流电路,高精度RC振荡器,输出驱动采用专利PWM技术,有效保证了像素点内光的颜色高一致性。
数据协议采用单极性归零码的通讯方式,像素点在上电复位以后,DIN端接受从控制 器传输过来的数据,首先送过来的24bit数据被**个像素点提取后,送到像素点内 部的数据锁存器,剩余的数据经过内部整形处理电路整形放大后通过DO端口开始转 发输出给下一个级联的像素点,每经过一个像素点的传输,信号减少24bit。像素点 采用自动整形转发技术,使得该像素点的级联个数不受信号传送的限制,仅仅受限信 号传输速度要求。
LED具有低电压驱动,环保节能,亮度高,散射角度大,一致性好,超低功率,超 长寿命等优点。将控制电路集成于LED上面,电路变得更加简单,体积小,安装更加 简便。
SK6812内置IC灯珠主要应用领域:
● LED全彩发光字灯串,LED全彩模组,LED幻彩软硬灯条,LED护栏管,LED外观/情景照明
● LED点光源,LED像素屏,LED异形屏,各种电子产品,电器设备跑马灯。
SK6812内置IC灯珠特性说明:
● Top SMD内部集成高质量外控单线串行级联恒流IC;
● 控制电路与RGB芯片集成在SMD 5050元器件中,构成一个完整的外控像素点,混色效果均匀且一致性高。
● 内置数据整形电路,任何一个像素点收到信号后经过波形整形再输出,保证线路波形畸变不会累加。
● 内置上电复位和掉电复位电路,上电不亮灯;
● 灰度调节电路(256级灰度可调),
● 红光驱动特殊处理,配色更均衡,
● 单线数据传输,可无限级联。
● 整形转发强化技术,两点间传输距离超过10M.
● 数据传输频率可达800Kbps, 当刷新速率30帧/秒时,级联数不小于1024点。
● 内置电源反接保护模块,电源反接不会损坏IC.
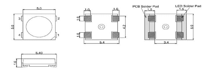
SK6812内置IC灯珠产品机械尺寸(单位mm):

SK6812内置IC灯珠机械尺寸与引脚图(单位mm):

SK6812内置IC灯珠引脚功能:

SK6812内置IC灯珠电气参数(极限参数,Ta=25℃,VSS=0V) :

SK6812内置IC灯珠电气参数(如无特殊说明,TA=-20~+70℃,VDD=4.5~5.5V,VSS=0V):

SK6812内置IC灯珠动态参数(Ta=25℃):
SK6812内置IC灯珠RGB芯片 特性参数:
SK6812内置IC灯珠数据传输时间( TH+TL=1.25µs±600ns):
SK6812内置IC灯珠时序波形图:
SK6812内置IC灯珠数据传输方式:
SK6812内置IC灯珠24bit数据结构:
SK6812内置IC灯珠典型应用电路:
SK6812内置IC灯珠注意事项:
1、在使用前请将产品放在65-70 度的烤箱中烘烤24 小时;
2、从烤箱中拿出来后在2 小时内立即使用完毕;
3、没有使用完的产品及时放回烤箱中;
4、换班或晚上休息时贴片完成的过完炉再下班,没有贴片的及时放回烤箱。
SK6812内置IC灯珠实物图片:





