收藏本页 | 设为主页 | 随便看看
普通会员

中山五环电子厂

开发、设计、生产、销售电感线圈、电子变压器

供应分类
  • 暂无分类
站内搜索
 
友情链接
  • 暂无链接
您当前的位置:首页 » 供应信息 » 色环电感
色环电感
点击图片查看大图
产 品: 浏览次数:458色环电感 
型 号: LGA0410-102K 
规 格: 1MH 
品 牌: 五环 
最小起订量: 5000 PCS 
供货总量: 1000000000 PCS
发货期限: 自买家付款之日起 5 天内发货
更新日期: 2014-09-03  有效期至:2015-09-03 [已过期]
详细信息

Pict
             
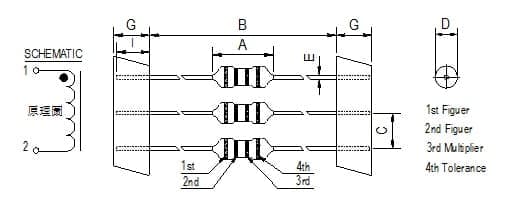
                       LGA 色 环 电 感 
              
             
             
1. 五环图型及尺寸( SHAPE AND SIZE) ( 单位 mm )    
   
   
Pict
 
             
             
五环编号 A B D E  
LGA0204 4.0 MAX 62±2.0 2.8 max  0.42±0.05  
LGA0307 8.0 MAX 62±2.0 3.0 max  0.50±0.05  
LGA0410 11.0 MAX 62±2.0 4.0 max  0.54±0.05  
LGA0510 12.0 MAX 62±2.0 5.0 max  0.58±0.05  
             
2. 五环编号表示      
     
     
   LGA    0410   -   102    K -    T
     
     (1)        (2)        (3)    (4)     (5)      
             
(1). 编号(Type) : 外涂环氧树脂产品(Epoxy Coated) ( LGA )    
(2). 尺寸(Size) : 成品外型尺寸(According to size) ( 0410 )    
(3). 标称电感值(Inductance) : 102"表示1000uH(Example: 102for 1000uH) ( 102)  
(4). 电感公差(Tolerance) :"M:±20%, "K":±10% , "J":±5% ( K )    
(5). 包装格式( Other information ) : T5: 编带包装 , 无T5字样为胶袋散装 ( T5)  
             
询价单